在钢结构设计中,为了使最终的设计成果符合国家标准,能投入生活和使用,钢结构设计国家标准《钢结构设计标准》GB50017-2017对钢结构设计作出了严格规定,尤其是强制性条文第4.3.2、4.4.1、4.4.3、4.4.4、4.4.5、4.4.6、18.3.3条。下面,我们一起来看下钢结构设计需要遵循哪些规定:
01 一般规定
1.钢结构设计应包括下列内容:
1)结构方案设计,包括结构选型、构件布置;
2)材料选用及截面选择;
3)作用及作用效应分析;
4)结构的极限状态验算;
5)结构、构件及连接的构造;
6)制作、运输、安装、防腐和防火等要求;
7)满足特殊要求结构的专门性能设计。
2.除疲劳设计应采用容许应力法外,钢结构应按承载能力极限状态和正常使用极限状态进行设计。
3.计算结构或构件的强度、稳定性以及连接的强度时,应采用荷载设计值;计算疲劳时,应采用荷载标准值。
4.对于直接承受动力荷载的结构:计算强度和稳定性时,动力荷载设计值应乘以动力系数;计算疲劳和变形时,动力荷载标准值不乘动力系数。计算吊车梁或吊车析架及其制动结构的疲劳和挠度时,起重机荷载应按作用在跨间内荷载效应最大的台起重机确定。
5.预应力钢结构的设计应包括预应力施工阶段和使用阶段的各种工况。预应力索膜结构设计应包括找形分析、荷载分析及裁剪分析三个相互制约的过程,并宜进行施工过程分析。
6.结构构件、连接及节点应采用下列承载能力极限状态设计表达式:
1)持久设计状况、短暂设计状况:
y0S≤R
2)地震设计状况:
多遇地震
S≤R/yRE
设防地震
S≤Rk
式中:y0——结构的重要性系数:对安全等级为一级的结构构件不应小于1.1,对安全等级为二级的结构构件不应小于1.0,对安全等级为三级的结构构件不应小于0.9;
S ——承载能力极限状况下作用组合的效应设计值:对持久或短暂设计状况应按作用的基本组合计算;对地震设计状况应按作用的地震组合计算;
R——-结构构件的承载力设计值;
Rk——结构构件的承载力标准值;
yRE———承载力抗震调整系数,应按现行国家标准《建筑抗震设计规范》GB 50011的规定取值。
7.对安全等级为一级或可能遭受爆炸、冲击等偶然作用的结构,宜进行防连续倒塌控制设计,保证部分梁或柱失效时结构有一条竖向荷载重分布的途径,保证部分梁或楼板失效时结构的稳定性,保证部分构件失效后节点仍可有效传递荷载。
8.钢结构设计时,应合理选择材料、结构方案和构造措施,满足结构构件在运输、安装和使用过程中的强度、稳定性和刚度要求并应符合防火、防腐蚀要求。宜采用通用和标准化构件,当考虑结构部分构件替换可能性时应提出相应的要求。钢结构的构造应便于制作、运输、安装、维护并使结构受力简单明确,减少应力集中,避免材料三向受拉。
9.钢结构设计文件应注明所采用的规范或标准、建筑结构设计使用年限、抗震设防烈度、钢材牌号、连接材料的型号(或钢号)和设计所需的附加保证项目。
10.钢结构设计文件应注明螺栓防松构造要求、端面创平顶紧部位、钢结构最低防腐蚀设计年限和防护要求及措施、对施工的要求。对焊接连接,应注明焊缝质量等级及承受动荷载的特殊构造要求;对高强度螺栓连接,应注明预拉力、摩擦面处理和抗滑移系数;对抗震设防的钢结构,应注明焊缝及钢材的特殊要求。
02 结构体系
1.钢结构的布置应符合下列规定:
1)应具备竖向和水平荷载传递途径;
2)应具有刚度和承载力、结构整体稳定性和构件稳定性;
3)应具有冗余度,避免因部分结构或构件破坏导致整个结构体系丧失承载能力;
4)隔墙、外围护等宜采用轻质材料。
2. 施工过程对主体结构的受力和变形有较大影响时,应进行施工阶段验算。
03 钢材牌号及标准
1.钢材宜采用Q235、Q345、Q390、Q420、Q460和Q345GJ钢,其质量应分别符合现行国家标准《碳素结构钢》GB/T 700、《低合金高强度结构钢》GB/T 1591和《建筑结构用钢板》GB/T 19879的规定。结构用钢板、热轧工字钢、槽钢、角钢、H型钢和钢管等型材产品的规格、外形、重量及允许偏差应符合国家现行相关标准的规定。
2.焊接承重结构为防止钢材的层状撕裂而采用Z向钢时,其质量应符合现行国家标准《厚度方向性能钢板》GB/T 5313的规定。
3.处于外露环境,且对耐腐蚀有特殊要求或处于侵蚀性介质环境中的承重结构,可采用Q235NH、Q355NH和Q415NH牌号的耐候结构钢,其质量应符合现行国家标准《耐候结构钢》GB/T 4171的规定。
4.非焊接结构用铸钢件的质量应符合现行国家标准《一般工程用铸造碳钢件》GB/T11352的规定,焊接结构用铸钢件的质量应符合现行国家标准《焊接结构用铸钢件》GB/T 7659的规定。
5.当采用本标准未列出的其他牌号钢材时,宜按照现行国家标准《建筑结构可靠度设计统一标准》GB 50068进行统计分析,研究确定其设计指标及适用范围。
04 材料选用
1.承重结构所用的钢材应具有屈服强度、抗拉强度、断后伸长率和硫、磷含量的合格保证,对焊接结构尚应具有碳当量的合格保证。焊接承重结构以及重要的非焊接承重结构采用的钢材应具有冷弯试验的合格保证;对直接承受动力荷载或需验算疲劳的构件所用钢材尚应具有冲击韧性的合格保证。(强制执行条文)
2.钢材质量等级的选用应符合下列规定:
1)A级钢仅可用于结构工作温度高于0℃的不需要验算疲劳的结构,且 Q235A钢不宜用于焊接结构。
2)需验算疲劳的焊接结构用钢材应符合下列规定:
1))当工作温度高于0℃时其质量等级不应低于B级;
2)当工作温度不高于0℃但高于-20℃时,Q235、Q345钢不应低于C级,Q390、Q420及Q460钢不应低于D级;
3)当工作温度不高于-20℃时,Q235钢和Q345钢不应低于D级,Q390钢、Q420钢、Q460钢应选用E级。
3需验算疲劳的非焊接结构,其钢材质量等级要求可较上述焊接结构降低一级但不应低于B级。吊车起重量不小于50t的中级工作制吊车梁,其质量等级要求应与需要验算疲劳的构件相同。
4.采用塑性设计的结构及进行弯矩调幅的构件,所采用的钢材应符合下列规定:
1)屈强比不应大于0.85;
2)钢材应有明显的屈服台阶,且伸长率不应小于20%。
5.连接材料的选用应符合下列规定:
1)焊条或焊丝的型号和性能应与相应母材的性能相适应,其熔敷金属的力学性能应符合设计规定,且不应低于相应母材标准的下限值;
2)对直接承受动力荷载或需要验算疲劳的结构,以及低温环境下工作的厚板结构,宜采用低氢型焊条;
3)连接薄钢板采用的自攻螺钉、钢拉铆钉(环槽铆钉)、射钉等应符合有关标准的规定。
05 设计指标和设计参数
1.钢材的设计用强度指标,应根据钢材牌号、厚度或直径按下表采用。(强制执行条文)

2.建筑结构用钢板的设计用强度指标,可根据钢材牌号厚度或直径按下表采用。

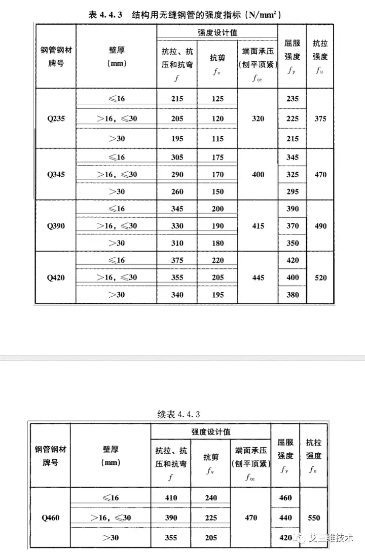
3.结构用无缝钢管的强度指标应按下表采用。(强制执行条文)

4.铸钢件的强度设计值应按下表采用。(强制执行条文)

5.焊缝的强度指标应按下表采用并应符合下列规定:(强制执行条文)
1)手工焊用焊条、自动焊和半自动焊所采用的焊丝和焊剂,应保证其熔敷金属的力学性能不低于母材的性能。
2)焊缝质量等级应符合现行国家标准《钢结构焊接规范》GB 50661的规定,其检验方法应符合现行国家标准《钢结构工程施工质量验收规范》GB 50205的规定。其中厚度小于6mm钢材的对接焊缝,不应采用超声波探伤确定焊缝质量等级。
3)对接焊缝在受压区的抗弯强度设计值取fwc,在受拉区的抗弯强度设计值取fwt。
4)计算下列情况的连接时,下表规定的强度设计值应乘以相应的折减系数;几种情况同时存在时,其折减系数应连乘:
①施工条件较差的高空安装焊缝应乘以系数0.9;
②进行无垫板的单面施焊对接焊缝的连接计算应乘折减系数0.85。

6.螺栓连接的强度指标应按下表采用。(强制执行条文)

7.铆钉连接的强度设计值应按下表采用,并应按下列规定乘以相应的折减系数,当下列几种情况同时存在时,其折减系数应连乘:
1)施工条件较差的铆钉连接应乘以系数0.9;
2)沉头和半沉头铆钉连接应乘以系数0.8。

8.钢材和铸钢件的物理性能指标应按下表采用。

06 结构分析与稳定性分析
1.建筑结构的内力和变形可按结构静力学方法进行弹性或弹塑性分析,采用弹性分析结果进行设计时,截面板件宽厚比等级为S1级、S2级、S3级的构件可有塑性变形发展。
2.结构稳定性设计应在结构分析或构件设计中考虑二阶效应。
3.结构的计算模型和基本假定应与构件连接的实际性能相符合。
4.框架结构的梁柱连接宜采用刚接或饺接。梁柱采用半刚性连接时,应计入梁柱交角变化的影响,在内力分析时,应假定连接的弯矩—转角曲线,并在节点设计时,保证节点的构造与假定的弯矩—转角曲线符合。
5.进行析架杆件内力计算时应符合下列规定:
1)计算珩架杆件轴力时可采用节点饺接假定;
2)采用节点板连接的析架腹杆及荷载作用于节点的弦杆,其杆件截面为单角钢、双角钢或T形钢时,可不考虑节点刚性引起的弯矩效应;
07 钢结构连接
1.钢结构构件的连接应根据施工环境条件和作用力的性质选择其连接方法。
2.同一连接部位中不得采用普通螺栓或承压型高强度螺栓与焊接共用的连接;在改、扩建工程中作为加固补强措施,可采用摩擦型高强度螺栓与焊接承受同一作用力的栓焊并用连接,其计算与构造宜符合行业标准《钢结构高强度螺栓连接技术规程》JGJ 82-2011第5.5节的规定。
3.C级螺栓宜用于沿其杆轴方向受拉的连接,在下列情况下可用于抗剪连接:
1)承受静力荷载或间接承受动力荷载结构中的次要连接;
2)承受静力荷载的可拆卸结构的连接;
3)临时固定构件用的安装连接。
4. 沉头和半沉头铆钉不得用于其杆轴方向受拉的连接。
5.钢结构焊接连接构造设计应符合下列规定:
1)尽量减少焊缝的数量和尺寸;
2)焊缝的布置宜对称于构件截面的形心轴;
3)节点区留有足够空间,便于焊接操作和焊后检测;
4)应避免焊缝密集和双向、三向相交;
5)焊缝位置宜避开最大应力区;
6)焊缝连接宜选择等强匹配;当不同强度的钢材连接时,可采用与低强度钢材相匹配的焊接材料。
除了以上规定外,本设计标准还对受弯构件、轴心受力构件、拉弯、压弯构件、加劲钢板剪力墙、钢与混凝土组合梁等作了相关规定,这里就不作详细赘述了,感兴趣的相关从业者可以查看《钢结构设计标准》GB50017-2017。

钢结构设计完成后,为了保障钢结构的安全和稳定,我们需要对钢结构进行分析。目前,钢结构分析主要采用有限元分析方式,对钢结构内力(轴力,剪力,弯矩,扭矩)载荷、结构在动力荷载作用下的动力响应(自振周期,振型)、土壤结构相互作用或风力、地震及移动(线位移,角位移)载荷等进行分析。

现阶段,在钢结构工程中,为了降低钢结构设计和分析难度,提高钢结构工程计算的准确性,我们需要采用钢结构设计和分析软件STAAD。
STAAD 是一个全面集成的有限元分析和设计解决方案,包括良好的用户界面、可视化工具和国际设计规范。能用于分析受静力载荷、动力响应、土壤结构相互作用或风力、地震及移动载荷影响的几乎所有结构类型。

使用 STAAD能确保按时、按预算完成任何复杂程度的钢结构、混凝土结构、木结构、铝结构和冷弯型钢结构项目。

由于存在灵活的建模环境以及动态变更修订和管理等高级功能,您可以:
降低总体拥有成本:设计包括涵洞、石化工厂、隧道、桥梁、桥墩在内的任何类型的结构;
提高设计生产效率:简化工作流以减少重复工作并消除错误;
降低项目成本和延迟:为客户提供精确且经济的设计,并快速周转变更请求。

STAAD 拥有80多种国际代码,能用于:
1.分析重力和横向载荷
为各种载荷条件设计和分析简单或复杂结构,包括由重力引起的载荷(如恒载和活载)、跨越条件以及包括风力和地震在内的横向载荷。
2.遵循抗震要求
根据相关建筑规范设计和详细设计抗震系统,生成抗震载荷。在设计元素和设计框架及更大的结构系统(如果适用)时考虑这些作用力。在按比例分配和详细设计元素时,遵循所选设计规范的延展性要求。
3.设计和分析结构模型
快速为整个结构建模,包括甲板、板、板缘和开口、梁、柱、墙、支架、扩展和连续基脚及承台。高效自动执行多个费时的设计和分析任务,并生成文档已就绪的实用系统和组件设计。

4.借助有限元进行设计和分析
使用我们最先进的有限元分析来准确高效地完成整个建筑结构的分析、设计和制图。使用我们的快速求解器减少或消除等待结果的时间。
5.设计梁、柱和墙
优化或分析梁、柱和墙的重力和横向载荷,以快速获得安全经济的设计。充满自信地生成符合美国标准以及许多国际设计规格和建筑规范的设计。
6.检查冷弯型截面设计
使用综合的冷弯型截面库设计轻型钢构件,无需使用单独的专用应用程序。
7.设计抗侧力框架
对斜撑框架和抗弯框架执行抗震和风力建筑规范检查。为您的结构项目快速获取安全可靠的设计。
8.国际标准的设计
在您的产品设计中,使用广泛的国际标准与规格,扩展您的业务实践,利用全球的设计机会。受益于国际标准的广泛支持,充满信心的完成您的设计。

9.生成设计载荷和载荷组合
使用内置载荷生成器将规范要求的风力和抗震载荷应用于结构中。基于结构几何图形、批量和选定建筑规范条款,自动计算相关载荷参数,而无需单独手动计算。使用载荷组合生成器将这些横向载荷工况与重力和其他类型的负荷组合起来。
10.导入在 DXF 中创建的截面图形状
快速导入在 DXF 工程图中详细设计的以公制或英制自定义的截面剖面图。或者使用简单的关键尺寸或从一系列标准库中选取的标准来定义常规形状。

11.集成板筏和基础设计
使用集成在分析主模型中的专业应用程序设计板筏和基础。创建设计计算和钢筋工程图。使用 ISM 添加 BIM 模型中的设计信息。
12.集成钢结构结点设计
在单一集成的环境中设计钢结构结点。直接从三维分析中将焊点形态、构件尺寸和合力传输到钢结构结点设计应用程序中。这样可以实现高效的信息复用并减少因结构变化造成的返工量。
13.生成截面属性报告
快速计算截面属性并轻松生成自定义截面图的详细报告。
14.生成结构设计文档
自动生成结构设计文档,包括用于传递设计意图的必要平面图和立面图。对三维模型所作的更改会在文档中自动更新。

15.共享结构模型
将结构模型几何图形和设计结果从一个应用程序传输到另一个应用程序,并同步未来变化。快速共享结构模型、工程图和信息以供整个团队查看。
16.充分利用国际通用标准截面配置文件
使用丰富的国际通用标准的截面配置文件库(不另外收费)完成结构模型。充分利用全球性的设计机会。



客服1